Nội dung
Nhu cầu về một bãi cỏ tuyết phát sinh vào thời điểm một khu vực rộng lớn phải được dọn sạch sau khi tuyết rơi. Giá của những thiết bị sản xuất tại nhà máy như vậy khá cao, vì vậy những người thợ thủ công cố gắng tự làm. Cơ chế hoạt động chính của máy thổi tuyết là máy thổi tuyết. Để làm được nó, bạn cần những bản thiết kế chính xác. Sai lầm trong tính toán sẽ dẫn đến việc máy thổi tuyết bị văng sang hai bên trong quá trình hoạt động. Bây giờ chúng ta sẽ xem xét cách chế tạo máy khoan tự chế cho máy thổi tuyết từ tấm thép và băng tải.
Thiết kế Auger và nguyên tắc hoạt động của nó
Không khó để tự tay bạn lắp ráp một chiếc máy thổi tuyết bằng trục vít. Ở đây, điều quan trọng là phải duy trì cùng khoảng cách giữa các dao xoắn ốc để máy không bị lắc lư trong quá trình hoạt động. Trên thực tế, các sản phẩm tự chế như vậy được điều khiển bằng động cơ điện hoặc động cơ từ máy xới đất, máy cưa và các thiết bị tương tự khác. Bản thân cấu trúc máy khoan có thể đóng vai trò như một phần đính kèm cho máy kéo đi bộ phía sau.
Máy thổi tuyết Auger có hai loại:
- Máy thổi tuyết một tầng được trang bị một mũi khoan xoắn ốc duy nhất. Hơn nữa, chúng bao gồm hai phần, và giữa chúng có các lưỡi ném. Trong khi máy chuyển động, gầu cắt lớp tuyết rơi xuống cơ cấu làm việc. Các lưỡi xoắn xoay tròn nghiền nát tuyết và xúc nó lên giữa thân máy. Có các cánh quay để đẩy nó vào vòi phun. Khoảng cách ném của tuyết phụ thuộc vào tốc độ quay của máy khoan. Thông thường con số này là từ 4 đến 15 m, dao khoan là phẳng và có răng cưa. Tùy chọn đầu tiên được sử dụng cho tuyết mới rơi, lỏng lẻo. Trong một phiên bản tự chế, một cơ chế như vậy thường được làm từ băng chuyền. Lưỡi dao răng cưa được sử dụng để dọn sạch tuyết đóng băng và đóng băng.
- Máy thổi tuyết hai giai đoạn cũng được trang bị một máy khoan. Nhưng đây mới chỉ là giai đoạn đầu của cơ chế, giúp nghiền và ném tuyết ra ngoài. Giai đoạn thứ hai là các cánh rôto. Chúng hơi nhô ra trên mũi khoan và giúp mài tuyết kỹ hơn, sau đó ném tuyết ra ngoài qua ống tay áo.
Cách đơn giản nhất là bạn có thể tự tay lắp ráp máy thổi tuyết một tầng, cũng đủ để xử lý tuyết trong sân một cách hiệu quả.
Chuẩn bị sơ đồ và vật liệu để sản xuất máy thổi tuyết một tầng
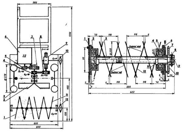
Sơ đồ hiển thị trong ảnh sẽ giúp lắp ráp máy thổi tuyết một cách chính xác. Trên đó, vật liệu cần thiết cho công việc được chuẩn bị và các khoảng trống được cắt ra khỏi đó. Vì vậy, hãy giải quyết từng yếu tố thiết kế theo thứ tự:
- Thông thường máy thổi tuyết tự chế được làm với chiều rộng 50 cm. Để hoạt động hiệu quả, cần phải có bất kỳ động cơ nào có công suất tối thiểu 1 kW
- Phần thân của bãi tuyết được uốn bằng thép tấm có độ dày từ 1–2 mm. Các mặt có thể được may bằng ván ép 10 mm. Tuy nhiên, cần phải nhớ rằng phần này của trường hợp chịu tải trọng lớn. Bản thân cánh quạt với các ổ trục được cố định trên các giá bên. Tốt nhất là làm chúng từ kim loại hoặc PCB dày.
- Mũi khoan dựa trên trục. Để sản xuất nó, bạn có thể lấy một ống kim loại có đường kính 20 mm. Các lưỡi ném được cắt từ thép tấm dày 5 mm hoặc một đoạn kênh. Dao đáng tin cậy hơn từ kim loại tấm với độ dày 2 mm. Đôi khi chúng được làm từ băng chuyền 10 mm hoặc cắt từ lốp ô tô cũ. Hai chốt cần được khắc trên trục.Vòng bi phù hợp với số 203 hoặc 205. Tìm hai trung tâm cho chúng, chúng sẽ được bắt vít vào giá bên của thân máy thổi tuyết. Máy khoan được truyền động thông qua một dây đai hoặc dây chuyền. Tùy thuộc vào sự lựa chọn, bạn sẽ cần một ròng rọc hoặc đĩa xích. Vòng bi Auger chỉ thích hợp cho kiểu kín.
- Khung máy thổi tuyết được lắp ráp từ một góc kim loại. Nếu kết cấu không phải là bản lề cho máy kéo đi bộ mà đóng vai trò như một cỗ máy thì trên khung sẽ có một chỗ để lắp động cơ. Tay cầm hình chữ U được uốn cong ra khỏi ống có đường kính 15–20 mm.
- Ống tháo tuyết có thể được làm bằng ống PVC có đường kính 150 mm hoặc được uốn cong bằng thép mạ kẽm.
Để làm cho máy thổi tuyết auger dễ dàng di chuyển trên tuyết, nó được đặt trên ván trượt. Chúng có thể được làm từ một góc kim loại bằng cách quấn các cạnh lại hoặc bằng cách cắt các con chạy bằng gỗ từ một tấm ván dày.
Máy thổi tuyết một giai đoạn và lắp ráp cơ thể
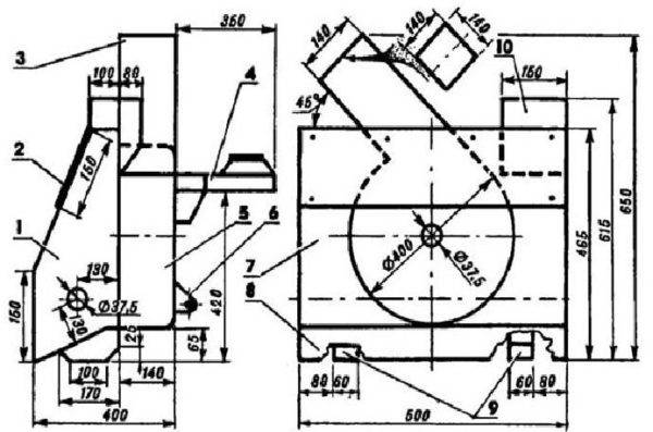
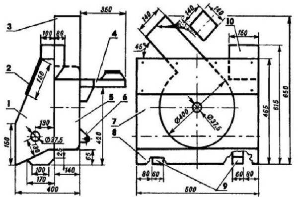
Việc sản xuất máy thổi tuyết khoan bắt đầu với khung. Thiết kế của nó gợi nhớ đến chiếc xe trượt của trẻ em. Nếu có, chúng có thể được sử dụng thay cho khung. Chỉ những chiếc xe trượt tuyết mới cần thép, không phải nhôm. Khung máy thổi tuyết tự chế được hàn từ các góc kim loại. Kích thước của tất cả các phần tử được hiển thị trong sơ đồ. Kết quả là, một công trình có kích thước 700x480 mm sẽ thu được.
Cái khó nhất trong việc chế tạo máy thổi tuyết là cái máy khoan. Đầu tiên, nguyên liệu làm dao xoắn ốc được chuẩn bị. Cho dù đó là thép hay cao su từ băng tải, quá trình này đều giống nhau:
- Bốn đĩa được cắt ra khỏi vật liệu đã chuẩn bị bằng ghép hình. Đường kính của chúng phải nhỏ hơn hình bán nguyệt của thân máy thổi tuyết. Theo sơ đồ của chúng tôi, con số này là 280 mm.
Các lưỡi khoan được làm hai mặt, và chúng được đặt ở một góc so với lưỡi ném. - Một lỗ được khoan ở tâm của mỗi đĩa bằng chiều dày của trục. Trong ví dụ của chúng tôi, một ống có đường kính 20 mm được lấy.
- Các vòng kết quả được cắt ở một bên, sau đó các cạnh được kéo dài theo các hướng khác nhau. Kết quả là, bạn sẽ nhận được bốn phần tử xoắn ốc giống hệt nhau.
- Bây giờ đã đến lúc tạo một trục ra khỏi ống. Đầu tiên, hai lưỡi được hàn chặt chẽ ở trung tâm. Chúng được đặt đối diện nhau. Trunnion cho ổ trục được hàn vào các đầu ống.
- Các lưỡi khoan kim loại được hàn đơn giản vào đường ống. Đối với dao cao su, các chốt từ các tấm kim loại có lỗ được hàn vào trục. Các phần tử được kết nối bằng bu lông.
- Vòng bi được gắn trên các tạp chí vít. Một trong số chúng nên dài hơn. Một ròng rọc hoặc đĩa xích được đặt trên chốt này, tùy thuộc vào loại truyền động.
Máy khoan đã sẵn sàng và bây giờ là lúc để lắp ráp thân máy thổi tuyết:
- Đối với thành phần chính của xô, lấy một tấm kim loại rộng 500 mm và uốn cong hình bán nguyệt từ nó. Trong trường hợp của chúng tôi, đường kính của vòng cung của phần tử thu được ít nhất phải là 300 mm. Trong một gầu như vậy, các lưỡi khoan có đường kính 280 mm sẽ quay tự do.
- Các kệ bên của thùng được cắt bằng kim loại, ván ép hoặc PCB. Các trung tâm chịu lực được gắn ở trung tâm.
Cuối cùng, nó vẫn là lắp ráp gầu từ các bộ phận và lắp đặt máy khoan bên trong. Các cánh quạt phải quay tự do bằng tay mà không làm ảnh hưởng đến thân xô.
Nếu máy thổi tuyết không phải là tệp đính kèm đến máy kéo đi bộ phía sau, sau đó chúng tôi tiếp tục lắp ráp cấu trúc. Đầu tiên, các giá đỡ động cơ được cố định vào khung. Tốt hơn là nên điều chỉnh chúng để thực hiện sức căng của bộ truyền động đai. Ván trượt được gắn vào dưới cùng của khung. Nếu chúng bằng gỗ, thì để trượt tốt hơn, bề mặt có thể được bọc bằng nhựa.
Một vòi phun được cắt ra ở đầu giữa của thân thùng máy thổi tuyết. Lỗ phải chính xác theo vị trí của cánh ném. Một ống nhánh được cố định vào vòi phun, và một ống xả tuyết được đặt trên đó.
Xô thổi tuyết thành phẩm được bắt vít vào khung với ván trượt. Tay cầm điều khiển được hàn ở phía sau. Động cơ cũng được bắt vít vào khung. Một ròng rọc hoặc một dấu sao được đặt trên trục làm việc, và một ổ đĩa bằng vít được thực hiện. Động cơ có thể điều chỉnh được gắn căng dây đai hoặc bộ truyền động xích.
Trước khi khởi động, máy thổi tuyết thành phẩm được quay bằng máy khoan hoặc ròng rọc bằng tay. Nếu mọi thứ vẫn quay bình thường mà không gặp trục trặc, bạn có thể thử khởi động động cơ.
Chế tạo máy thổi tuyết khoan hai tầng
Máy thổi tuyết hai tầng rất khó chế tạo. Thường thì một vòi phun như vậy được sử dụng để làm việc với máy kéo đi sau. Nhờ cánh quạt có các cánh, khả năng bắt tuyết được cải thiện và phạm vi ném tuyết qua ống bọc ngoài tăng lên 12–15 m.
Trong quá trình sản xuất thiết kế hai giai đoạn, máy thổi tuyết khoan được lắp ráp lần đầu tiên. Chúng tôi đã xem xét nguyên tắc sản xuất của nó, vì vậy chúng tôi sẽ không lặp lại chính mình. Để làm mới bộ nhớ của bạn, chúng tôi chỉ khuyên bạn nên xem sơ đồ của máy thổi tuyết trong bức ảnh.
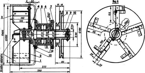
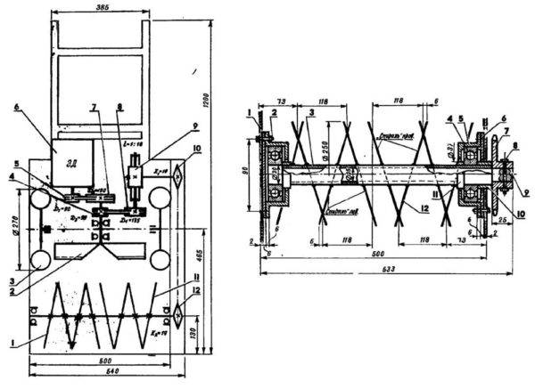
Bức ảnh tiếp theo là sơ đồ của một máy thổi tuyết hai giai đoạn. Ở đây, số 1 biểu thị mũi khoan và số 2 biểu thị rôto có cánh.
Khi tự sản xuất máy thổi tuyết khoan hai tầng, bạn sẽ cần bản vẽ chính xác của tất cả các yếu tố cấu tạo. Trong ảnh, chúng tôi khuyên bạn nên nhìn vào một sơ đồ hiển thị một góc nhìn bên.
Để chế tạo một cánh quạt, bạn cần tìm một cái trống. Nó có thể được làm từ bình gas cũ hoặc bình chứa hình trụ khác. Đây sẽ là vỏ rôto. Hơn nữa, nó được kết nối với thùng của máy thổi tuyết khoan, nơi đặt vòi phun. Bản thân rôto là một trục có ổ trục, trên đó đặt một bánh công tác với các cánh quạt. Bạn có thể thu thập nó theo kế hoạch được đề xuất.
Đối với máy kéo đi sau, vòi phun hai tầng được gắn vào giá đỡ kéo trên khung. Truyền động được thực hiện bằng cách sử dụng dây đai và ròng rọc.
Khi làm việc với máy thổi tuyết, máy kéo đi bộ phía sau chuyển động với tốc độ từ 2 đến 4 km / h. Phạm vi ném tuyết phụ thuộc vào tốc độ quay của máy khoan và cánh quạt.
Video cho thấy toàn bộ chu trình sản xuất của máy thổi tuyết khoan:
Việc tham gia sản xuất máy thổi tuyết khoan là hợp lý nếu một khu vực rộng lớn phải được làm sạch hàng năm. Kỹ thuật đơn giản trong thiết kế và thực tế không phá vỡ. Bạn chỉ cần đảm bảo rằng không có đá hoặc vật kim loại lớn nào lọt vào thùng.











